- Home
- /
- News
- /
- Industry News
ADVANTAGES AND DISADVANTAGES
• There is saving in material cost as there is no winding or permanent magnet on the rotor.

FIGURE 9.44 Equivalent circuit when S1 is on.
FIGURE 9.45 Equivalent circuit when S1 is off.
FIGURE 9.46 SRM driver with C-dump converter.
• Rotor losses are reduced due to the absence of rotor winding. The machine is therefore suited for low-voltage and current-intensive applications.
• Efficient cooling can be achieved as major losses are on the stator, which is easily accessible.
• As the size of the rotor is small, it has less moment of inertia, thus giving a large acceleration rate to the motor.
• Rotors are simple; hence, they are mechanically robust and therefore naturally suited for high-speed operation.
• The concentrated winding configuration reduces the overall cost compared to distributed windings. This configuration also reduces end turn buildup, which minimizes the inactive part of the materials, resulting in lower resistance and copper losses compared to the distributed windings in other machines.
FIGURE 9.47 Phase inductance, voltage, and current for C-dump converter.
• As they are brushless machines, there is low maintenance cost.
• SRMs do not produce cogging or crawling torques; hence, skewing is not required.
• As windings are electrically separated from each other, they have negligible mutual coupling; hence, failure of one does not affect the other.
• SRMs show high reliability compared to other machines as there is freedom to choose the number of
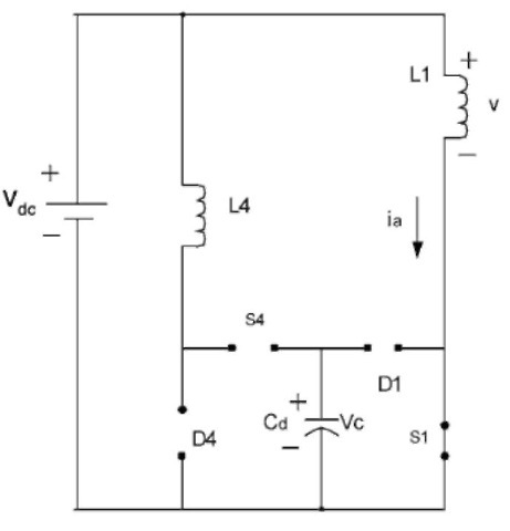
FIGURE 9.48 Equivalent circuit when S1 is on and other switches and diodes are off.
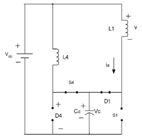
FIGURE 9.49 Equivalent circuit when S1 and S4 are off and D1 is on.
FIGURE 9.50 Equivalent circuit when all switches and diodes are off.
FIGURE 9.51 Equivalent circuit when S1 and S4 are on and D1 and D4 are off.
FIGURE 9.52 Equivalent circuit when D1 and S4 are on and S1 and D4 are off.
phases. As the number of phases increases, machine reliability also increases.
• They have inherent variable-speed operation.
• They provide a wide range of operating speed.
• SRMs offer great flexibility of control.
• Since power switches are in series with the phase windings and together they are parallel to the DC source voltage, there is no chance for shoot-through fault to occur; hence, higher reliability can be achieved.
• Their mechanical structure is not as stif as, say, synchronous machines and, coupled with the flexible control system, these machines are capable of effectively absorbing transient conditions, which provides resilience to the mechanical system.
• Extended speed constant-power operation.
FIGURE 9.53 SRM driver with freewheeling C-dump converter.
Disadvantages of SRM drives are summarized as follows:
• High torque ripples are the main drawback of this machine, but controlling overlapping currents can reduce them.
• They exhibit high acoustic noise.
• Radial forces are minimal at unaligned positions and high at aligned positions; therefore, any variation over half rotor pitch can contribute to faster wear and tear of the bearings if there are rotor eccentricities and uneven air gaps, which is the major source of noise.
• Friction and windage losses are high due to the salient rotor.
• It lacks line start capability as it requires electronic power converter to run the machine.
• Position information is required to control SRMs; however, sensorless techniques can be used to avoid position sensors.
FIGURE 9.54 Phase inductance, voltage, and current for freewheeling C-dump converter.
• A separate freewheeling diode for each switch is necessary in all SRM converter topologies, which increases the overall cost compared to the H-bridge inverters.
SRM drives have many applications. Low-power applications include plotter drives, air handler motor drives, manual forklift/ pallet truck motor drivers, door actuator systems, air conditioners, and home appliances such as washers, dryers, and vacuum cleaners. Medium-power applications include industrial general purpose drives, train air conditioner drives, and mining drives. High-power
FIGURE 9.55 SRM driver with split-DC converter
applications include electric propulsion systems, vehicular systems, domestic purpose applications like fans and pumps, and industrial adjustable-speed drives. There are also several high-speed applications such as screw rotary compressor drives, centrifuges for medical applications, and aerospace applications. Robust rotor construction and high power density are the advantages of the SRM drives for high-speed applications.
Newer articles
- Advantages And Disadvantages Of Single Phase Motors (04/05/2017)
- Tips for Keeping gearheads cool (05/05/2017)
- The Benefits of Gearboxes — and When to Pick Integrated Gearmotors (05/05/2017)
- How to Calculate the RPM of a Motor and Speed Reducer (09/07/2017)
- DC motors advantages and disadvantages over AC motors? (01/08/2017)
- Advantages & Disadvantages of Electric Motors (04/05/2017)
- The different types of gears (09/11/2017)
- Advantages and disadvantages of different types of gears (01/09/2018)
- OTHER POWER ELECTRONIC DRIVERS (04/05/2017)
- What are Brushless DC Motors (31/05/2019)
Older articles
- Gearbox Motors vs Integrated Gearmotors (16/04/2008)
- AC or DC? brushed DC or brushless DC Gear Motor? (24/04/2008)
- Dolin seeks help in identifying poor “reliability” in electric motors (01/02/2007)
- WHAT TO CONSIDER WHEN SELECTING A GEAR REDUCER OR GEAR MOTOR (22/11/2012)
- Applying Gear Ratios to DC Motor Systems (08/11/2013)
- What Does Gear Reduction (Gearbox) actually mean for DC gearbox motors? (22/11/2012)
- 4 Common Worm Gear Applications (11/11/2010)
- What is a Reduction Gear? (09/10/2009)
- Light-Load hair foil its high quality (02/09/2009)
- Have a gear motor special designed (04/09/2011)
Join